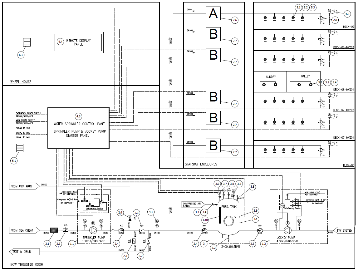
A. Reference Regulations:
The design calculation is made in compliance with SOLAS Chapter II/FSS Code Chp.8/MSC.1/Circ.1556, Installation of Sprinkler System and Class rules and regulations.
B. Sprinklers system are used in
Light Hazard: Cabins, recreational areas, offices.
Ordinary Hazard: Storage rooms, kitchens.
Extra Hazard: Storage of flammable goods.
C. System Layout
1. Sprinkler nozzle and accessories
2. Flow indicator /switch
3. Pressure switch
4. Alarm wet valve, valve trim and compensator unit
5. Sprinkler Tank
6.Isolation valves and supervisory switches
7.Water Sprinkler Pump

